0.00 грн.
Оформить заказ- Производитель: ЭВОЛЮЦИОНЕР™
- Модель: ГКа-4
- Наличие: Есть в наличии
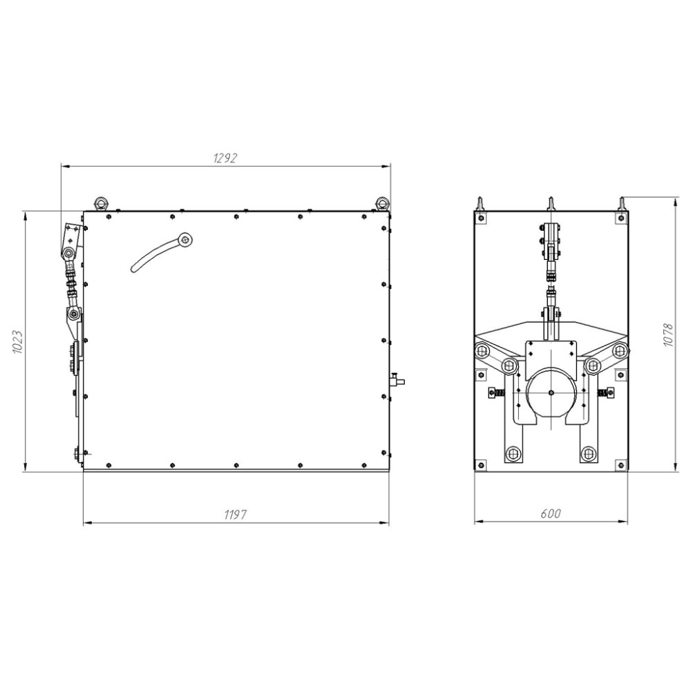
Вес: 401кг
Размер (ДхШхВ): 130см x 60см x 100см
- Обзор товара
- Характеристики
- Видео
- Отзывов (1)
- Похожие товары
Станок для гофроколена ГКа-4 предназначен для производства гнутых коленей из круглых и прямоугольных труб, изготовленных из листового металла толщиной до 0.7мм. Гибочный процесс осуществляется поэтапно, с одновременным гофрированием и гибкой трубы через определенное кратное расстояние (шаг гиба). Глубина гофрирования настраивается на станке и зависит от толщины металла с которым требуется работать. Количество гибов так же регулируется в зависимости от диаметра изгибаемого колена.

Насадка для круглой трубы

Насадка для квадратной трубы.

Готовое колено из круглой трубы

Готовое колено из квадратной трубы
Станок для гофроколена отлично подойдет тем предприятиям основным направлением деятельности которых является изготовление вентиляционных, водосточных, дымоходных труб. Станок для изготовления водосточного колена ГКа-4 существенно упростит и ускорит операцию изготовления колена по сравнению с выполнением аналогичной операции на других станках, так как зачастую эта операция производится с использованием зиговочных машин и колено изготавливается сборным, состоящим из нескольких частей, которые предварительно вырезаются с помощью лекала и обрабатываются на зиговочной машине. Потом все элементы собираются в одну конструкцию. По сравнению с таким изготовлением станок для гофроколена делает колено намного быстрее, на изготовление одного колена диаметром 200мм уходит 30 секунд, что позволяет повысить производительность данного процесса и сохранить высокое качество получаемых изделий.
Станок для гофроколена нашего производства отличается от станков других производителей наличием дополнительного четвертого нижнего обжимного пуансона, который обеспечивает более равномерную гибку трубы со всех сторон и предотвращает непроизвольные деформации изделия в процессе гибки.
Станок для производства гофроколена оборудован электроприводом что позволяет его эксплуатировать в широком диапазоне температурных условий без необходимости его подключения к пневматическим и гидравлическим системам.
Комплектация станка
В стандартном варианте станок для гофроколена комплектуется на выбор тремя наборами насадок для гибки круглых труб в диапазоне от 80 до 200мм. Для гибки большего количества труб необходимо приобретать дополнительные наборы гибочных насадок.
Так же на станке возможна гибка прямоугольных труб, под которые изготавливается дополнительная оснастка.
Доброго дня Чи робите станок для гофроколіна ручного типу . Не на автоматиці і без мотор?
Доброго дня. Станок для виготовлення гофроколіна робимо тільки автоматичний. Ручний вже зняли з виробництва
а есть станки вашего производства при помощи какоторых можно изготовить квадратную заготовку для этого
коленогиба?
Доброго дня. Дякуємо за Ваш запит. Для виготовлення квадратної водостічної труби використовуються прокатні станки, ми саме такі наразі не робимо, але можемо запропонувати такий станок китайського виробництва. Якщо напишите свій контактний номер месенджеру або адресу електронної пошти-скинемо детальну пропозицію
Вітання!
Чи можна в стандартній комплектації верстату змінити одну з круглих насадок, на насадку для гнуття квадратної труби?
Доброго дня. Дякуємо за Ваш запит. Замінити оснастку можна, але вартість оснастки під квадратну трубу відрізняється від оснастки під круглу, тому для точного прорахунку бажано прислати конкретні розміри труб які саме плануєте виготовляти і ми вже підготуємо комерційну пропозицію