0.00 грн.
Оформить заказ- Производитель: ЭВОЛЮЦИОНЕР™
- Модель: ЗМЭ
- Наличие: Есть в наличии
Вес: 81кг
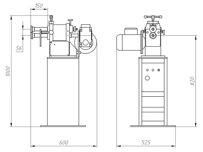
Размер (ДхШхВ): 100см x 20см x 70см
- Обзор товара
- Характеристики
- Видео
- Отзывов (4)
- Похожие товары
Зиговка электрическая используется жестянщиками, вентиляционщиками, дымоходчиками и другими специалистами работа которых связана с изготовлением труб из листового металла различной толщины и различных диаметров. Зиг машина предназначена для обработки краев труб, давая возможность после проведения необходимых операций соединять трубы либо же монтировать их в сложные системы.
Наша электрическая зиговка для удобства работы комплектуется педалью. Это дает возможность оператору зиг машины держать обрабатываемую трубу двумя руками вместо одной, увеличивая производительность и эффективность зиговочного процесса.
Комплектация зиговичной машины
В стандартном варианте зиговка электрическая поставляется в односкоростной конфигурации, но используя разнообразные ролики для выполнения различных операций заказчики очень часто сталкиваются с необходимостью регулирования скоростного режима под свои задачи. Для этого у нас предусмотрена возможность установки частотного преобразователя на зигмашину, который дает возможность регулировать скорость вращения роликов согласно требований заказчика.
В стандартном исполнении электрическая зиговка поставляется с четырьмя парами роликов, которые дают возможность использовать ее для операций гофрирования, зигования и изготовления сборного колена. Но, благодаря наличию широкого ассортимента дополнительных роликов, функциональны возможности зиговки можно существенно расширить. Для этого достаточно выбрать необходимые ролики в соответствии с нашим каталогом и заказать у нас их изготовление.
Варианты роликов для зиговочного станка

РОЛИКИ ДЛЯ ГОФРИРОВАНИЯ

РОЛИКИ ГОФРО+РЕБРО ЖЕСТКОСТИ

ОТБОРТОВОЧНЫЕ РОЛИКИ

РОЛИКИ ОТРЕЗНЫЕ

РОЛИКИ ДЛЯ СЕГМЕНТНЫХ ОТВОДОВ

ДЛЯ ПРОКАТКИ РЕБЕР ЖЕСТКОСТИ

РОЛИКИ ГЛАДКИЕ

РОЛИКИ СКОШЕННЫЕ ОТБОРТОВОЧНЫЕ

ДЛЯ ОТБОРТОВКИ БЕЗ УПОРА

РОЛИКИ ДЛЯ ОТБОРТОВКИ

РОЛИКИ ДЛЯ ИЗГОТОВЛЕНИЯ ФАЛЬЦА

ДЛЯ ОТБОРТОВКИ С УПОРОМ

РОЛИКИ ДЛЯ ЗАВАЛЬЦОВКИ

ДЛЯ ВИНТОВЫХ СОЕДИНЕНИЙ

ДЛЯ ПРЯМОУГОЛЬНОГО ДВОЙНОГО ЗИГА

ДЛЯ ПРЯМОУГОЛЬНОГО ОДИНАРНОГО ЗИГА

ДЛЯ ПРОКАТА РЕБЕР ЖЕСТКОСТИ 2

ДЛЯ ДВОЙНОГО S-ОБРАЗНОГО ЗИГА

ДЛЯ ДВОЙНОГО В-ОБРАЗНОГО ЗИГА
Ролики на зиг машину, в зависимости от конфигурации, могут производиться как термически обработанными, так и из сырого металла. Все зависит от операций, планирующих выполнять с помощью этих роликов на зиг машине. Наши специалисты помогут Вам определиться с выбором и всегда предоставят полную информацию и технические характеристики по необходимым Вам роликам на электрическую зигмашину.
Наше предприятие специализируется на изготовлении оборудования для работы с листовым металлом и в частности на изготовлении электрических зигмашин на протяжении более 10 лет. У нас есть много готовых решений, которые помогут Вам выполнить все необходимые задачи обработки труб и листового металла. Для более подробной информации по нашей зиговочным станкам свяжитесь с нашим менеджером по контактному телефону, указанному на сайте.
А если сранить цену на зиговку......
для металу товщиною 2мм підійде?
Доброго дня. Дана зіг машина працює з максимальною товщиною металу до 1.2мм
При багатошвидкісному варіанті чи регулюється швидкість зігування педаллю?
Доброго дня
Регулювання швидкості на зіг машині відбувається за допомогою тублера, він має 4 позиції, регулювання можливе від 5 до 30 обертів на хвилину. Разом зі станком ми надамо детальний паспорт де буде описаний процес регулювання